Краткий обзор мембранных способов получения воды для инъекций
В.Б. Смирнов, АО «НПК МЕДИАНА-ФИЛЬТР»
ИНЖЕНЕРНАЯ ПРАКТИКА | 5/2021 (85) сентябрь-октябрь
Краткий обзор мембранных способов получения воды для инъекций
Согласно статье 0169 Европейской Фармакопеи [1], при производстве воды для инъекций (ВДИ) (кроме дистилляции) законодательно разрешено применение других методов водоподготовки. В настоящем сообщении обсуждаются важные аспекты такого изменения Европейской фармакопеи, сформулированные на основе анализа специализированных источников [2-6] и собственного опыта автора [7].
Таблица 1. Выдержки из монографий по ВДИ фармакопей Европы, США и Японии
(по состоянию на август 2021)

1. Производство ВДИ. Особенности стадий производства
- Исходная вода для системы производства ВДИ имеет решающее значение, поскольку она несёт в себе риск снижения качества получаемого продукта.
- При применении любых методов производства ВДИ на стабильное качество влияют перечисленные ниже параметры:
- общий органический углерод (ООУ) – суммарный показатель органического загрязнения;
- коллоидный индекс (КИ) - суммарный показатель загрязнения коллоидными частицами;
- температура;
- содержание кремниевой кислоты (силикатов);
- жёсткость воды;
- удельная электропроводность;
- содержание окислителей (например, хлор и диоксид хлора, озон);
- содержание микроорганизмов, эндо- и экзотоксинов.
- Предподготовка – ключевой элемент надёжности работы установки обратного осмоса (обезжелезивание, умягчение воды, дозирование антискаланта).
- Установки обратного осмоса (Reverse Osmosis - RO), мембранной дегазации, электродеионизации (ЭДИ) должны выдерживать термическую и/или химическую санацию. Рекомендуется отдавать предпочтения модулям ЭДИ, выдерживающим термическую санацию водой с температурой выше 75 °С.
- Финальная стадия очистки подразумевает использование половолоконной ультрафильтрации. Керамическая предпочтительнее из-за возможности организовать термическую санацию.
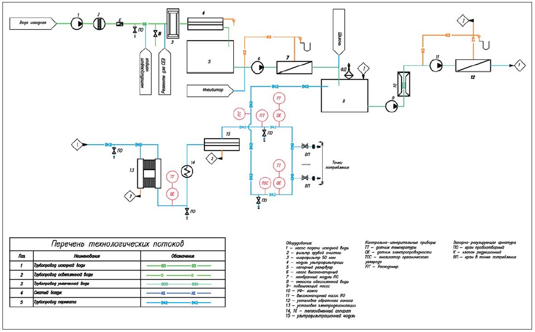
Варианты схемы производства ВДИ из питьевой воды приведены на рисунках 1а и 1b.

Рисунок 1а. Гидравлическая схема получения ВДИ и её использования без системы хранения [6]

Рисунок 1b. Гидравлическая схема получения ВДИ и её использования без системы хранения. Вариант интегрированной мембранной системы [7]
Ниже приведены варианты решений по организации сиcтем хранения и распределения ВДИ.

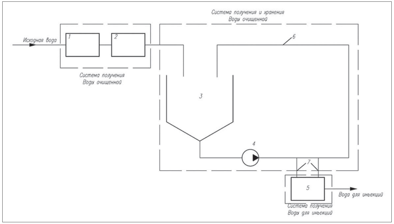
Рисунок 2. Схема производства ВДИ из очищенной воды с хранением и распределением ВДИ

Рисунок 3. Схема производства и распределения ВДИ. Без хранения ВДИ

Рисунок 4. Блок-схема производства ВДИ в точке потребления. Без хранения ВДИ
1 – система предподготовки, 2 – двухступенчатая установка RO +ЭДИ, 3 – ёмкость для хранения воды очищенной, 4 – циркуляционный насос, 5 – установка ультрафильтрации для получения ВДИ, 6 – закольцованный трубопровод воды очищенной, 7 – трубопроводы подачи и возврата воды установки ультрафильтрации
2. Оценка рисков в системе хранения ВДИ
- При оценке рисков системы хранения следует рассматривать вариант холодного хранения ВДИ. Хранение ВДИ под озоном. Озон не считается добавленным веществом (п. 4.3 [6], статья 1231 USP), поэтому запрета на его использование при производстве ВДИ нет.
- В случае использования инертной атмосферы в ёмкости хранения отпадает необходимость в вентиляционном фильтре. Частота санации может быть принята от 1-2 раз в неделю, однако должно быть запланировано постепенное снижение частоты санаций согласно микробиологическим трендам (п. 7.4) [6].
- На линии возврата необходимо измерять давление, температуру, проводимость и значение ООУ, рекомендуется измерять и объемный расход (п. 7.4) [6].
3. Методы контроля биопленки в мембранных установках
- Мониторинг (онлайн-цитометрия), ограниченное применение метода инкубации для оценки развития биоплёнки в водоподготовительной установке (ВПУ).
- Правильное гигиеническое проектирование ASME BPE-2019.
- Использование антискалантов (п. 4.5.1.b) [6] для RO вместо умягчителей, добавление бактерицидных агентов в поток, санация горячей водой.
- При отключении RO вытеснять концентрат исходной водой или пермеатом (п. 4.5.6.с) [6].
- Использование установок и мембран устойчивых к воздействию горячей воды.
- Фильтрование воздуха, используемого для мембранной дегазации.
- Для ультрафильтрации обеспечивать сброс 1-2 % от объёма фильтрата.
- В периоды без потребления температура воды в ВПУ не должна превышать 20-25 °С.
4. Мониторинг
- Рекомендуется измерять в потоке общий органический углерод (ООУ), электропроводность (ЭП), концентрацию озона, расход, давление и температуру.
- Экспресс-методы оценки загрязнения микроорганизмами, в дополнение к стандартным инкубационным методам:
- измерение общего микробного числа (ОМЧ) онлайн;
- экспресс-методы определения эндотоксинов (пирогенность и ЛАЛ-тест);
- параметры ООУ, ЭП – показатели потенциальной биологической нагрузки.
- Настоятельно рекомендуется предусмотреть мониторинг электропроводности в следующих точках: вода исходная, после RO, после финальной обработки (согласно действующим фармакопейным статьям), на возврате петли.
- Общий органический углерод. Особая рекомендация: порог содержания общего органического углерода на возврате петли ВДИ – 20-150 мкг/л[1].
5. Хранение и распределение
- Холодная (не выше 20-25 °С) и горячая системы хранения (> 70 °С). Оба режима хранения допустимы.
- Режим работы холодная/горячая определяется только тем, в каком виде потребляется вода. Хранение при температуре использования.
- Микробиологический контроль включает:
- расход воды;
- турбулентную характеристику потока;
- дополнительные проектные решения (опорожняемость, управление точками потребления, дополнительная УФ-лампа в контуре, материалы 1.4435, 1.4404 и AISI 316L, PVDF). Преимущество за использованием инертного PVDF (поливинилиденфторида) из-за отсутствия риска загрязнения воды ионами железа;
- на линии возврата необходимо измерить давление, температуру, проводимость, значение ООУ. Также можно предусмотреть измерение объёмного расхода.
6. Санитарная обработка
- Раздельная санитарная обработка предподготовки, установки обессоливания, системы хранения и распределения:
- требование обеспечить уровень ОМЧ в системе подготовки воды не выше, чем для питьевой воды, однако превышения не критичны (п. 7.1.1) [6], если на последующих стадиях они нивелируются;
- при термической санации в самой холодной точке контура должна поддерживаться температура выше 75 °С не менее 30 мин (более низкие температуры допустимы, если они поддерживаются более длительное время).
- Термическая санация:
- тотальность;
- остаются трудноудаляемые питательные вещества в системе;
- контроль скорости нагрева, определение самого холодного участка системы.
- Химическая санация:
- окисление материалов;
- контроль отмывки системы от остатков реагентов;
- полная эвакуация остатков микроорганизмов (субстрата для вторичного роста);
- озон не считается добавленным химикатом;
- при санитаризации мембран чрезвычайно важно провести их предварительную химическую очистку;
- выщелачивание загрязнителей из материалов при химической санации.
Таблица 2. Санация системы хранения и распределения: сравнение производства ВДИ дистилляцией и методом использования мембран [6]

- Горячее хранение и хранение под озоном считаются методами непрерывной санации. При использовании озона точки измерения концентрации последнего должны быть предусмотрены после ёмкости, УФ-излучателя и в линии возврата.
- Рабочее значение частоты санитарной обработки определяют исходя из оценки рисков, данных измерений и имеющихся тенденций.
- Стандартная частота санитарной обработки в распределительной системе под озоном – 1 раз в неделю. Так или иначе ёмкость хранения постоянно находится под озоном и прокачивается по замкнутому циклу.
- Горячую санацию системы следует планировать с той же частотой – 1-2 раза в неделю (по крайней мере в начале эксплуатации). Безопаснее использовать отчёты о тенденциях для постепенного снижения частоты очистки во время работы, чем начинать с более длительными интервалами непосредственно на этапе квалификации. Практика показала, что квалификационные мероприятия иногда приходится повторять несколько раз, пока не будут выбраны корректные интервалы.
- Регулярная санитарная обработка предподготовки не обоснована и является мифом, возникшим при работе старых систем водоподготовки (последние были спроектированы на основе устаревших спецификаций, которые больше не применимы к современным системам водоподготовки с надлежащей инженерией). Такие решения основаны на опасении из-за отсутствия данных и на предположении, что уполномоченный орган закроет объект, если санитарная обработка не будет проводиться регулярно.
Из обсуждения участников ассоциации ISPE[2]:

7. Квалификация и валидация
- Вопреки тому, что указано в Сборнике вопросов и ответов EMA [3], озон не считается подходящим дезинфицирующим средством для систем предподготовки и обессоливания (получения ВДИ), т.к. смолы, материалы фильтров и мембран не устойчивы к озону. Исключением являются керамические модули ультрафильтрации.
- В мембранных системах получения ВДИ следует избегать ненужных фильтров с активированным углем из-за большой площади поверхности таких фильтров. В Сборнике вопросов и ответов [3] рекомендуются различные технологии для удаления хлора, хорошей альтернативой для дехлорирования иными способами является УФ-система с очень высокой интенсивностью излучения (254 нм).
- К электродеионизации (ЭДИ) в мембранной системе получения ВДИ не предъявляются какие-либо особые требования. Хотя ЭДИ упоминаются в Сборнике EMА как заключительный этап очистки, её не следует использовать в этом качестве из-за отсутствия физического барьера для микроорганизмов. Установки ЭДИ подходят для финального обессоливания, они экологически безопасны и могут подвергаться дезинфекции горячей водой. Однако они не могут должным образом задерживать микроорганизмы, эндо- и экзотоксины.
- На сегодняшний день многие специалисты [6] считают, что ультрафильтрация – единственный подходящий холодный процесс (может быть и горячим) окончательной очистки сверхчистой воды для получения ВДИ. На заключительном этапе должны быть отделены следующие примеси:
- микроорганизмы;
- эндотоксины;
- экзотоксины.
- ВДИ не стерильна, но недалека от фактической стерильности при требовании к микробному числу, которое должно оставаться ниже 10 КОЕ/100 мл. На практике подавляющее большинство результатов, получаемых при обычной эксплуатации, имеют значение < 1 КОЕ/мл.
- Обычной практикой должно быть производство ВДИ без обнаружения каких-либо микроорганизмов. Используемые в эксплуатации модули ультрафильтрации способны задерживать даже самые мелкие микроорганизмы, что является краеугольным камнем квалификации.
- Помимо микроорганизмов, эндотоксины также должны быть удалены из воды на стадии окончательной очистки. Типичная молекулярная масса эндотоксинов может составлять лишь 20 кДа. Следовательно, предел массы задерживаемых частиц ультрафильтрацией должен быть ниже. Японская фармакопея предписывает предел отсечки 6 кДа, что уже находится на нижнем пределе возможных пороговых значений для модулей ультрафильтрации. Предельное значение 10-20 кДа (статья 1231 USP), второе дополнение к USP 39-NF 34 также должно быть достаточным для удаления оставшихся примесей. Рекомендуется использовать порог 10 – 20 кДа или меньше. В настоящее время не существует стандарта для испытаний порога отсечки, и каждый производитель определяет свои собственные условия, которые могут давать разные результаты.
Целостность модуля ультрафильтрации должна быть подтверждена, для этого могут быть использованы следующие методы:
- метод определения точки пузырька;
- метод газовой диффузии;
- тест на удержание давления.
8. Заключение
- В общем случае ВДИ, полученная с помощью мембранной технологии, хранится и распределяется в холодном виде (не выше 20-25 °С). Температура хранения воды обычно зависит от области применения. Когда ВДИ получают в горячем виде путём дистилляции, она часто и хранится горячей.
- Не рекомендуется использовать одни и те же химические вещества (такие как перекись водорода или соединения хлора) в системе распределения в качестве единственного средства дезинфекции мембранных систем ВДИ.
- При квалификации систем холодного хранения и распределения важно проверить турбулентность и заблокировать точки потребления в случае превышения предельных значений скорости (или, наоборот, при низких показателях) и протестировать процедуру санитарной обработки. Непрерывное охлаждение системы ниже заданной температуры (т.е. 20 °C) должно быть показано для самой теплой точки. Внутри ёмкости хранения рекомендуется использовать инертный газ. В качестве альтернативы можно использовать стерильный вентиляционный фильтр, целостность которого проверяется до и после использования. Это требование изложено в новом проекте приложения 1 к Руководству GMP (p. 7.12).
- При необходимости можно провести обновление системы ВОВ[3] до системы ВДИ, проведя повторную квалификацию без реконструкции ВПУ.
- Вопреки информации, содержащейся в Сборнике вопросов и ответов EMA 40 и в новом проекте приложения 1 к Руководству GMP ЕС41, нет необходимости в ежедневном отборе проб. Что касается мест отбора проб, частоты и концепции мониторинга, никаких дополнительных требований во время производства ВДИ с использованием мембранных процессов не возникает.
Список литературных источников
- WFI Monograph (0169) of the European Pharmacopoeia (Ph. Eur.)
- Note for Guidance on Water for Pharmaceutical Use (ред. 2002).
- EMA - Questions and Answers on Production of Water for Injections by Non-Distillation Methods – Reverse Osmosis and Biofilms and Control Strategies. (Действует до пересмотра Приложения №1 к Руководству по GMP).
- Annex 1 of the GMP Guidelines: Manufacture of Sterile Products (Chapter 7).
- Annex 15 Qualification and Validation (2015).
- Herstellung von Wasser für Injektionszwecke ohne Destillationsverfrahren” (Production of Water for lnjection without Distillation). ISPE Germany/Austria/Switzerland (D/NCH) Affiliate.
7. Смирнов В.Б. Перспективы использования технологии ультрафильтрации на этапе предподготовки в системах воды очищенной и воды для инъекций. // Чистые помещения и технологические среды №2(62) апрель-июнь 2017.
[1] 20 мкг/л – значение из п. 5.5.2.e [6] – достижимо только при обработке воды озоном или ультрафиолетом 185 нм. Обычные значения могут находится в пределах 50-150 мкг/л (прим. автора).
[2] ISPE- The International Society for Pharmaceutical Engineering – Международное сообщество фармацевтического инжиниринга
[3] ВОВ- вода высокой степени очистки; высокоочищенная вода (Highly Purified Water – HPW)













